Product Description
HQ44X/45X micro-resistance spherical check valve adopts rubber covered ball as valve disc. Under the action of medium, it can roll on the slideway in the valve body to open or close the valve, with large flow rate, small flow resistance loss and good sealing performance. Muffler is turned off to reduce water hammer. Can be installed horizontally or vertically. It can be used for the pump outlet of cold water, hot water, industrial and domestic sewage and other pipe networks to prevent the backflow of the medium.
The Main Technical Parameters
Model | PN(MPa) | Shell test pressure(MPa) | Seal test pressure(MPa) | Body material | Sphere material |
HQ44/45X-10 | 1.0 | 1.5 | 1.1 | Cast iron | Carbon steel lagging |
HQ44/45X-16 | 1.6 | 2.4 | 1.76 |

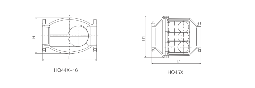
Main External Connection Dimensions
DN | 200 | 250 | 300 | 350 | 400 | 450 | 500 | 600 | 700 | 800 | 900 | 1000 |
L(mm) | 550 | 650 | 698 | 781 | 914 | 978 | 978 | 1295 | 1448 | 1600 | 1760 | 1900 |
H(mm) | 510 | 570 | 640 | 715 | 815 | 825 | 980 | 1155 | 1260 | 1350 | 1660 | 1700 |














