Product Description
J145X electromagnetic hydraulic vertical three-way valve and double-acting mud valve are mainly composed of valve body, valve plate, valve stem and electromagnetic reversing valve. The double-acting sludge discharge valve has the characteristics of simple operation, flexible opening and closing, reliable sealing and no noise. It is an ideal device for automatic control, centralized control and remote control. It is mainly installed in the filter tank with clean water and backwash drain valve, and can also be used to control the water inflow and drainage of the filter tank.
Material Of Main Parts
Part Name | Material |
Body, Disc, Seat, Piston, Cylinder | Grey cast steel |
Stem | Stainless steel 1Cr18Ni9Ti,20Cr13 |
Y type seal | Nitrile rubber |
Gasket | Asbestos Rubber Sheet |
Piston cup | Cow Leather, Nitrile Rubber |

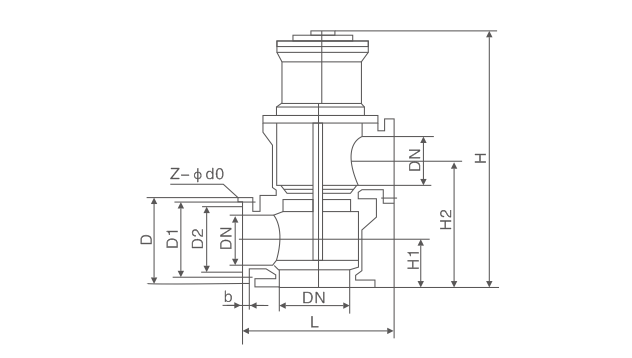
Main External Connection Dimensions
DN | H | H1 | L | D | D1 | Z-φd0 | Takeover thread |
100 | 800 | 150 | 360 | 220 | 180 | 4-19 | 1/2 |
150 | 940 | 170 | 400 | 285 | 240 | 8-23 | 1/2 |
200 | 1000 | 190 | 460 | 340 | 295 | 8-23 | 1/2 |
250 | 1200 | 220 | 560 | 395 | 350 | 12-23 | 3/4 |
300 | 1350 | 270 | 590 | 445 | 400 | 12-23 | 3/4 |
350 | 1500 | 300 | 650 | 505 | 460 | 16-23 | 1/2 |
400 | 1620 | 325 | 700 | 565 | 515 | 16-28 | 1 |














